
최근 슈퍼커패시터용 컨트롤러 PCB 아트워크를 끝내고 점검하는 과정에서 이홈메이드 클럽의 "초짜탈출의 꿈"님의 조언을 토대로 관련 실험을 해보았습니다.
https://cafe.naver.com/hssoon/357634
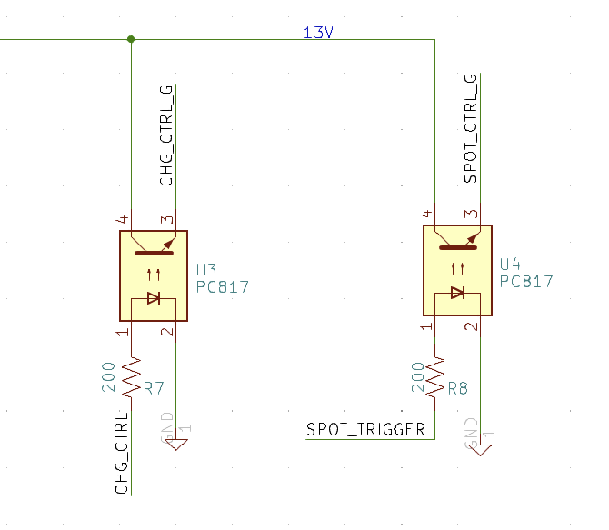
Source Current 제어 방식

전용 드라이버가 아닌 간단하게 PC817을 이용하여 스폿용접 MOSFET 보드와 충전 스위칭용 MOSFET Gate 를 드라이브합니다.
MCU(Atmega328P U)의 특정 핀에서 충전제어용 CHG_CTRL과 스폿제어용 SPOT_TRIGGER 핀에 5V 출력을 보내면 PC817 내부 LED가 켜지고 그 빛에 반응하여 4번핀에서 3번핀으로 전류가 흘르고 결과 Gate에 전압이 인가되어 스폿이 진행됩니다.
이 방식은 MCU가 특정 핀으로 전류를 보냈다가 안보냈다가 하는 방식으로 source current 제어라고 부르고 일반적으로 많이 사용하는 방식입니다.
그런데 이 방식은 MCU가 이것저것 하는 일이 많아지거나 제어용 부하가 커지면 출력이 약해져 전압강하가 발생한다는 단점이 있습니다. 결과적으로 모스펫이 완전하게 Turn On이 되지 않을 수 있고 성능하락 혹은 모스펫이 터질수 있습니다.
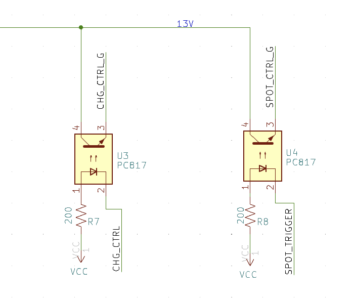
Sink Current 제어 방식

이를 해결할 수 있는 것이 sink current 제어 방식입니다.
배선만 조금 바꿔주면 되는데 PC817의 애노드인 1번 핀에 별도의 VCC 전압을 직접 넣어주고 2번핀을 MCU의 IO 핀에 연결해줍니다. MCU는 이 핀으로 들어오는 전류를 단순하게 닫았다(HIGH) 열었다(LOW) 하면서 제어를 하게 됩니다.
이 방식은 MCU내부 전원이 아니라 별도 VCC 전압을 사용하므로 전압강하가 발생하지 않고 전류도 충분하게 공급할 수 있습니다.
여기까지가 구글링한 결과이고 실제 테스트를 해봅니다.
테스트


먼저 Source Current 제어방식입니다.
아래에서 설명하겠지만 Turn On/Off Delay까지 함께 보기 위하여 스코프 분해능값을 200uS에서 trigger된 파형입니다.
스폿타임 1ms를 기준으로 비교합니다. 일단 잘 모르는 사각형의 튀는 부분은 무시합니다.
스위치를 누른 순간 PC817 Input에 4.01V가 되었고, 수광부 출력측은 9.11V입니다.
알리의 초소형 승압모듈을 사용했고 테스트시 출력값이 11V가 조금 넘게 측정되었는데 그 전압이 그대로 흐르지 못하고 전압강하가 있음을 알 수 있습니다.
실제 스폿시 파형도 크게 다르지 않으나 Turn Off Delay 중간 구간에서 미세하게 튀는 사각형의 구간은 만능기판 때문인지 모스펫 특성때문인지 아직 이유를 모르겠습니다.


이번엔 sink current 제어 방식으로 회로를 수정하고 테스트한 파형입니다.
PC817의 입력단은 전압만 인가된 상태로 MCU 포트에서 전류를 차단하고 있기때문에 Input은 전압이 잡히지만 실제 출력측은 0V입니다.
이때 스폿 스위치를 누르면 전류가 흘러 출력측에 전압이 잡히게 되고, Input단은 GND와 쇼트상태로 전압은 잡히지 않습니다.
실제 동작은 두 가지 방식 모두 동일하게 잘 이루어집니다.
하지만, 전압을 비교해보면 차이가 있습니다.
입력부가 4.01V였던것이 5.39V, 출력측은 9.11V에서 11.3V로 전압강하가 거의 없이 안정적으로 동작하는 것을 확인했습니다.
이 실험을 결과로 최종 회로도에는 sink 방식으로 결정하기로 했습니다.
기타 Turn On/Off Delay

지난 풀다운 저항 실험에서 테스트 이후 5ms를 0.5ms로 비약적으로 줄인 상황입니다.
이걸 200us 단위로 세분화해서 보면 좀더 자세히 볼 수 있습니다.


파형을 보면,
참고로 9개의 모스펫 각각 직렬로 33옴을, Full down 10K옴도 각각 달아주었습니다.
Turn On Delay는 40uS 정도입니다.
Trurn Off Delay는 452uS 정도 나옵니다.
Turn Off Delay값을 더 개선하고는 싶으나 적용 후 1,500회 이상 스폿시 이상이 없어 운용가능하다고 판단한 상태입니다.
참고로 Full Down 저항을 1개만 사용했을때와 비교는 아래 관련글을 참고하시면 될 듯 합니다.
이 실험은 만능기판에 목업개념으로 제작한 보드와 사용한 모스펫은 다이코리아에서 판매하고 있는 IRL3713 을 사용했습니다. PCB와 모스펫 보드 기타 테스트 환경에 따라 다소 차이가 날 수 있을 듯 합니다.
+
다시한번 여러모로 도움을 주신 '초짜탈출의 꿈'님께 감사드립니다.
공부가 많이 됐습니다. ^^
관련글
자작 슈퍼커패시터 스폿용접기 모스펫보드 풀다운저항 실험
얼마전 목업개념으로 제작한 슈퍼콘덴서 스폿용접기입니다. 다음 단계로 PCB 아트웤을 진행하기에 앞서 회로 스케치 중인데 병렬구성된 모스펫에서 풀다운 저항에 따른 의미있는 변화가 없다면
mindeater.tistory.com
포터블 슈퍼콘 스폿용접기 제작 완료!! - 아두이노 자작회로와 슈퍼콘덴서(커패시터) LSUC 2.8V 3000F
시작하면서... 최근 중고 슈퍼콘이 대량으로 풀리면서 자작카페와 자동차 커뮤니티를 중심으로 핫!? 합니다. 위하고 다루기 힘들지만 힘 이 워낙 좋은 녀석이라 점프스타터나 전압안정을 위한
mindeater.tistory.com
슈퍼 커패시터용 아두이노 스폿회로 제작 - 펌웨어 코딩 완료
요즘 순간방전량이 2000A에 달하는 어마무시한 수퍼~ 커패시터 일명 수퍼콘 LSUC 2.8V 3000F가 인기가 대단합니다. DIY 카페를 중심으로 대량으로 그것도 초저가에 풀리고 있어 그 동안 만들기도 까다
mindeater.tistory.com